Skip to content Skip to sidebar Skip to footer

Approach Lighting System Diagram

Standard Category I Cati Approach Lighting Pattern Download Scientific Diagram

Standard Category I Cati Approach Lighting Pattern Download Scientific Diagram

Approach lighting system diagram. Approach lighting system ALS a lighting system installed on the approach end of an airport runway and consists of a series of lightbars strobe lights or a combination of the two that extends outward from the runway end. Say we are working on the light upstairs so we turn off the upstairs lighting circuit thinking we are safeWRONGThe live is picked up downstairs and there are still live conductors feeding the switch upstairs and if someone flipped the downstairs switch in this diagram that live feed would extend all the way to the lamp too youre fried. Solar power systems vary widely in their power producing capabilities and complexity.

SYSTEM DESIGN Describe the system architecture or simply provide the architecture diagram. Descriptions and definitions of the Psychological Contract first emerged in the 1960s notably in the work of organizational and behavioural theorists Chris Argyris and Edgar Schein. Regardless of a given systems capacities and specifications theres a common thread among most of them.

It describes the system activities or the person who does the activity and the sequential flow of these activities. The light sensor circuit is an electronic circuit designed using light sensor LDR Darlington pair relay diode and resistors which are connected as shown in the light sensor circuit diagram. The ALSF-2 is an approach lighting system ALS which provides the basic means to transition from instrument flight to visual flight for landing.

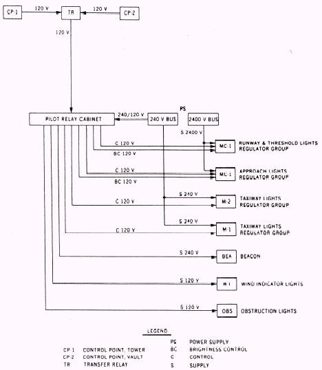
Use this diagram to guide the wiring of the system. The Psychological Contract is an increasingly relevant aspect of workplace relationships and wider human behaviour. The CTAF will be used to control airport lighting systems at.

Energy-efficient lighting optimization photo credit. Providing multiple switches to control the number of lights that come on at any one time. The faces of all falsework and forms located within or adjacent to the traveled way should be illuminated on the approach sides during the hours of darkness.

Every vehicle has its own braking system to stop that vehicle. The text says 25 and the diagram says 14 well use 25 to take the worst case scenario. 9-107 Bus Stop Lighting.

Superimpose this on the images above to see how it all comes together. Straight-in IAPs are identified by the navigational system providing the final approach guidance ie VOR and the runway to.

Instrument Approach Systems Approach Lighting Systems Als

Instrument Approach Systems Approach Lighting Systems Als

Approach Lighting System

Approach Lighting System

Airport Lights Brief Introduction Airport Lights Are Meant To Identify Runways And Taxiways To Guide The Pilots And Atc In Times Of Reduced Visibility Approach Lights Medium Intensity Approach Lighting Systems They Provide A Visual Lighting Path For Landing

Airport Lights Brief Introduction Airport Lights Are Meant To Identify Runways And Taxiways To Guide The Pilots And Atc In Times Of Reduced Visibility Approach Lights Medium Intensity Approach Lighting Systems They Provide A Visual Lighting Path For Landing

Air Net Approach Lighting Systems Als Basic Approach Facebook

Air Net Approach Lighting Systems Als Basic Approach Facebook

Can I Descend

Can I Descend

Monitoring The Performance Of Aerodrome Ground Lighting International Airport Review

Monitoring The Performance Of Aerodrome Ground Lighting International Airport Review

Approach Lighting System

Approach Lighting System

Airport Lights Brief Introduction Airport Lights Are Meant To Identify Runways And Taxiways To Guide The Pilots And Atc In Times Of Reduced Visibility Approach Lights Medium Intensity Approach Lighting Systems They Provide A Visual Lighting Path For Landing

Airport Lights Brief Introduction Airport Lights Are Meant To Identify Runways And Taxiways To Guide The Pilots And Atc In Times Of Reduced Visibility Approach Lights Medium Intensity Approach Lighting Systems They Provide A Visual Lighting Path For Landing

Aim Chapter 2 Section 1

Aim Chapter 2 Section 1

Airport Lighting Aids

Airport Lighting Aids

Airport Diagram Airport Sketch Approach Lighting Systems Legend

Airport Diagram Airport Sketch Approach Lighting Systems Legend

Airport Lighting Private Pilot Online Ground School

Airport Lighting Private Pilot Online Ground School

Chapter 2 Aeronautical Lighting And Other Airport Visual Aids Section 1 Airport Lighting Aids

Chapter 2 Aeronautical Lighting And Other Airport Visual Aids Section 1 Airport Lighting Aids

The Airline Pilots Forum And Resource

The Airline Pilots Forum And Resource

Alsf I Dual Mode Alsf Ii Ssalr Ssal Approach Lighting Systems Flight Light Inc

Alsf I Dual Mode Alsf Ii Ssalr Ssal Approach Lighting Systems Flight Light Inc

I Love That Aceo Got The Runway Lighting System 90 Correct Also Runway Taxiway Lights Explained I Guess R Airportceo

I Love That Aceo Got The Runway Lighting System 90 Correct Also Runway Taxiway Lights Explained I Guess R Airportceo

Inside Ifr Looking For The Lights Plane Pilot Magazine

Inside Ifr Looking For The Lights Plane Pilot Magazine

Runway Light Colors And Light Spacing Explained Boldmethod

Runway Light Colors And Light Spacing Explained Boldmethod

Aerodrome Lighting System Ivao International Virtual Aviation Organisation

Aerodrome Lighting System Ivao International Virtual Aviation Organisation

Approach Lighting System Aviationchief Com

Approach Lighting System Aviationchief Com

Approach Lighting System Configurations Vfr Left Malsr Center Download Scientific Diagram

Approach Lighting System Configurations Vfr Left Malsr Center Download Scientific Diagram

Approach Lighting System

Approach Lighting System

Runway Lighting Explained Youtube

Runway Lighting Explained Youtube

1

1

Runway Light Colors And Light Spacing Explained Boldmethod

Runway Light Colors And Light Spacing Explained Boldmethod

Airport Lights Atsys2ay1516te06team5

Airport Lights Atsys2ay1516te06team5

Airfield Lighting Flashcards Quizlet

Airfield Lighting Flashcards Quizlet

The Airline Pilots Forum And Resource

The Airline Pilots Forum And Resource

Airport Lighting

Airport Lighting

Airport Lighting

Airport Lighting

Easy Access Rules For Aerodromes Regulation Eu No 139 2014 Easa

Easy Access Rules For Aerodromes Regulation Eu No 139 2014 Easa

Alsf I Dual Mode Alsf Ii Ssalr Ssal Approach Lighting Systems Flight Light Inc

Alsf I Dual Mode Alsf Ii Ssalr Ssal Approach Lighting Systems Flight Light Inc

Approach Lighting System Configurations Vfr Left Malsr Center Download Scientific Diagram

Approach Lighting System Configurations Vfr Left Malsr Center Download Scientific Diagram

Close Up Of Parts Of The Approach Lighting System Of An Airport In Front Of The Runway During Day Against A White Sky Seen In Germany In January Stock Photo Alamy

Close Up Of Parts Of The Approach Lighting System Of An Airport In Front Of The Runway During Day Against A White Sky Seen In Germany In January Stock Photo Alamy

Flightgear Forum View Topic Ksfo Preview Available

Flightgear Forum View Topic Ksfo Preview Available

Approach Lighting System Aviationchief Com

Approach Lighting System Aviationchief Com

Approach Lighting 1 Approach Lighting System Als The

Approach Lighting 1 Approach Lighting System Als The

Approach Lighting Ppt Video Online Download

Approach Lighting Ppt Video Online Download

Close Up Of Parts Of The Approach Lighting System Of An Airport In Front Of The Runway During Day Against A White Sky Seen In Germany In January Stock Photo Picture And Royalty

Close Up Of Parts Of The Approach Lighting System Of An Airport In Front Of The Runway During Day Against A White Sky Seen In Germany In January Stock Photo Picture And Royalty

Airport Lighting

Airport Lighting

Lecture 12 Approach Lighting System Ppt Video Online Download

Lecture 12 Approach Lighting System Ppt Video Online Download

Runway Lightings

Runway Lightings

Apex Experience The Education Issue By Spafax Issuu

Apex Experience The Education Issue By Spafax Issuu

Lighting Circuits

Lighting Circuits

Approach Lighting System Png Images Pngegg

Approach Lighting System Png Images Pngegg

Noticias E Historias Sobre Aviacao Aconteceu Em 7 De Julho De 2017 O Quase Acidente Do Voo 759 Da Air Canada

Noticias E Historias Sobre Aviacao Aconteceu Em 7 De Julho De 2017 O Quase Acidente Do Voo 759 Da Air Canada

Airport Approach Lighting System Images Stock Photos Vectors Shutterstock

Airport Approach Lighting System Images Stock Photos Vectors Shutterstock

21 Aerodrome Lighting

21 Aerodrome Lighting

Papi Lights

Papi Lights

Superimpose this on the images above to see how it all comes together.

Holiday Lighting Gift Cards Bedding. Say we are working on the light upstairs so we turn off the upstairs lighting circuit thinking we are safeWRONGThe live is picked up downstairs and there are still live conductors feeding the switch upstairs and if someone flipped the downstairs switch in this diagram that live feed would extend all the way to the lamp too youre fried. The approach for you depends on your electrical needs. Every vehicle has its own braking system to stop that vehicle. You can also power these with an NP-F battery. Definition of Brake System. This arrangement is often found in stairways with one switch upstairs and one switch downstairs or in long hallways with a switch at either end. The system consists of the following components. For School system it may include web based front end webserver database etc.


The ALSF-2 is an approach lighting system ALS which provides the basic means to transition from instrument flight to visual flight for landing. The ILS system is used to execute a precision instrument approach procedure or precision approach. Lighting circuits with low power lights like LEDs have low power requirements so even. This arrangement is often found in stairways with one switch upstairs and one switch downstairs or in long hallways with a switch at either end. This is a bi-color flicker free LED 3 point lighting system that has a CRI rating of 95 and comes with light stands and plug-in power ability. Straight-in IAPs are identified by the navigational system providing the final approach guidance ie VOR and the runway to. Definition of Brake System.

Post a Comment for "Approach Lighting System Diagram"